電動蝶閥有普通型和智能型。普通型,當接通其電機,閥門便開或合,視電機正反轉而定;智能型如AC380V的,給其供AC380V后,電機不動,內部控制電路板可以工作。當給其輸入4—20mA電流時,做相應動作。4mA時關閉,20mA時打開。而且有4—20mA模擬量反饋信號,以反應它的閥門開度大小。
電動蝶閥由電動執行器和蝶閥組成,電動執行器為90度旋轉,有開關和調節式兩種控制方式,通過電動執行器旋轉帶動蝶閥的開啟與關閉。具備手動操作功能,在斷電時通過手動操作來開關蝶閥。
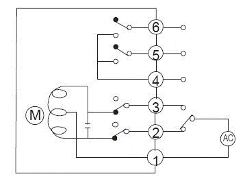
第一:常見的電動蝶閥接線圖:

如下:開關型帶有源燈指示電動蝶閥接線圖,共有5根接線,1,2,3是控制部分,1,4,5是反饋部分。

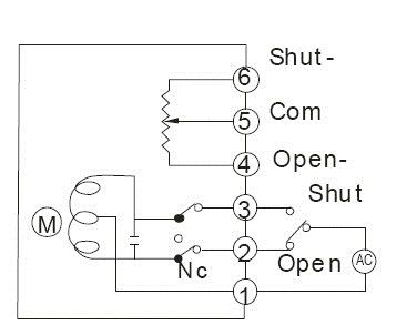
開關型帶無源觸點型反饋電動蝶閥接線圖,1,2,3是控制部分接線,4,5,6為無源觸點反饋。

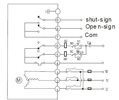
開關型帶開度信號反饋電動蝶閥接線圖。1,2,3為控制接線部分,4,5,6為反饋部分,輸出0-5K的電阻值,可以選定。
AC380V三相電源電動蝶閥接線圖:

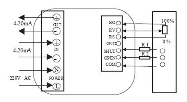
智能調節式電動蝶閥接線圖,輸入輸出4-20mA:

第二:蝶閥如何安裝,主要有以下5步;
1.蝶閥可以安裝在任意角度的管道上,但不能倒裝。通常為立式和臥式安裝。
2.蝶閥一般為單向使用,安裝時請注意閥體上箭頭為表示密封關閉時介質壓力方向。
3.法蘭蝶閥安裝在管道末端時.末端這邊需配裝法爛片,以防止密封圈積壓過位。
4.產品出廠前雖經過嚴格檢查和試壓,但也存在個別產品在運輸途中振動螺釘變位,需重新調整。若蝶板關閉不嚴,將限位螺釘逆時針旋轉少許,轉動蝶板至密封位置,合適后鎖定此螺母,若蝶板關閉過位(或蝶板打不開)應將限位螺釘順時針旋轉少許,打開蝶板重新關閉密封位置,合適后鎖定螺母。
5.電動蝶閥出廠時已將控制機構的啟閉行程調好,為防止電源接通時方向搞錯。用戶在第一次接通電源前,要先手動啟開到半開位置,再接點動開關,檢查指示盤方向向閥門啟開方向一致即可。
第三:蝶閥可能發生的故障及清除方法 :
1、 密封泄漏
(1)蝶板、密封圈夾有雜物 。清除雜質,清洗閥門內腔。
(2)蝶板、密封圈關閉位置吻合不正 。調正渦輪或電動執行器等執行機構的調節螺釘,以達到閥門關閉位置正確。
(3)出口則配裝法蘭螺栓受力不均或未壓緊 。檢查配裝法蘭平面及螺栓壓緊力,應均勻壓緊。
(4)試壓方向未按要求 。按箭頭密封方向進行施壓。
2、 閥門兩端面泄漏
1.兩側密封墊片失效 。更換密封墊片 ;
2.管法蘭壓緊力不均未壓緊 。壓緊法蘭螺栓(均勻用力) ;
3.密封圈上.下密封圈墊片失效 。卸下閥門的壓板圈,更換密封圈失效墊片。
3、填料處的外漏
1.填料超期使用,已老化 1.應及時更換老化,損壞的填料,逐圈安放,接頭成30-45度 ;
2.操作時用力過大 2.應受正常力均勻操作,不許加套管或其他方法加長力臂;
3.填料壓套螺栓沒有擰緊 3.均勻擰緊壓住填料用螺栓。
4、 手柄,手輪的損壞
(1)使用不正確 。禁止使用管鉗,長杠桿,撞擊工具等;
(2)緊固件松脫 ,隨時修配 ;
(3)手柄,手輪與閥桿連接損傷 。隨時修復 。
5、 渦輪,渦桿傳動卡咬
(1)不清潔嵌入臟物,影響潤滑 。清除贓物,保持清潔,定期加油 ;
(2)操作不善 。若操作時發現卡咬,阻力很大時,不能繼續操作,就立即停止,徹底檢查。
6、電動安裝故障
(1)潤滑不良,閥門內有異物卡住,造成轉矩過大損壞 。就加油,使油管良好,調料壓緊應適度,應及時清除閥內異物,保持清潔;
(2)電機故障 。電機工作時間不超過15分鐘,電源應正
常、避免電機受潮
以上就是電動蝶閥的原理以及如何接線相關問題的解答,掌握這些基本的技巧和知識,那么以后您自己就可以接線了,再也不用求人了哦!
